產品介紹
立式減速電機首選城邦精工!23年臺灣齒輪馬達制造經驗品質保證!臺灣,江蘇,東莞三地設廠為您打造高品質齒輪減速機,剎車馬達,剎車電機,減速電機;客服:400-8833-185.特點:動力足!散熱好!精度高!防粉塵防漏油效果好!已通過CCC,CE認證,國際品質認證!
立式減速機從廣義上講是出力附法蘭型減速機,而并非是指狹義的立著安裝,晟邦立式減速機配晟邦電機就組合成晟邦立式減速電機,下面了解下立式B型法蘭減速機。
目前晟邦電機工廠共研發出兩款特制法蘭,CV1立式B型法蘭減速機和CV2立式B型法蘭減速機,也稱方法蘭減速機,(俗稱偏心法蘭);就是出力軸所處位置不是法蘭的中心位置,而是離偏離中心有一定的距離,類似于其他6W-120W小型減速機的偏離中心位置的方式,彌補了小型減速機200W以上無偏心法蘭的空白。
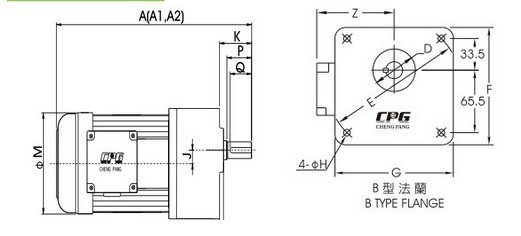
CV1立式B型法蘭減速機如下圖所示:
晟邦工廠研發的第一款B型法蘭減速機:CV1立式B型法蘭減速機得到廣大客戶的認可和贊賞,晟邦工廠繼而應市場需要按照該原理繼續開發出CV-2方法蘭.
CV2立式B型法蘭減速機如下圖所示:
溫馨提示:CV1立式B型法蘭減速機和CV2立式B型法蘭減速機同樣適用于CVM以及CVD類型的單獨減速機使用,同時可配CPG鋁殼馬達、CPG鐵殼馬達,三相城邦電機,單相晟邦電機,以及城邦剎車電機、晟邦變頻電機;如有需要歡迎咨詢晟邦電機工廠客服:400-8833-185
感謝您關注城邦立式減速電機!
城邦減速電機和齒輪減速機特點如下:
·采用高品質全銅線圈,動力更足!
·鋁合金外殼重量更輕,散熱更好!
·齒輪、齒軸經精密滾齒加工,精度更高!
·采用瑞典SKF或同等級精密軸承,運轉更順暢!
·采用IP-55鋁制接線盒,防水性更好。
·采用高品質密封件和先進工藝,防粉塵防漏油效果更好!
更多關于城邦立式減速電機圖片/選型/價格/及城邦立式減速電機接線圖/維修保養/使用說明...等等方面的資訊,歡迎咨詢城邦電機國內客服專線:400-8833-185.熱情為您服務!



